HOME | ABOUT US | MAP |
CONTACT TO : SALE_TRE@THERECCORP.COM
WELCOME TO TRC GROUP OF COMPANY E-MAIL : SALE_TRE@THERECCORP.COM, TEL.+662 893 9003-4... THE PNEUMATIC CONVEYING SYSTEM DESIGNER | THE HIGH PRESSURE BLOWER SPERCIALIST.  
" The Pneumatic Conveying System Company " " Bulk material handling process turn-key solution Over all knowledge summation of the 20 years experience"
 
  Home >Turn - Key Project > Pneumatic Conveying System

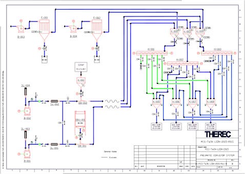
PNEUMATIC CONVEYING SYSTEM
REFERENCE LIST

 

> Bulk bag handling system

> Weighting system

> Powder system

> Plastic Silos system

> Sea bulk loading system

> Pneumatic conveying system


Plastic Silos System

- Stainless steel silos, Aluminum silos, Flexible silos

- Explosive control system, Silo safety valve, Bursting Panel , Suspension barrier , Isolating valve

- Temperature and Humidity control system,

- Feeding system in and out ,Pneumatic conveying , Bulk truck blower, Loading bellow, Weighting system, Level sensor and etc.

PVC & Calcium Carbonate, Powder silo system.

Polypropylene (PP) Pellet silo system

Polyethylene (PE) & Polystyrene (PS) silo system.

 

Company Brochure.

> TRE&C Silo Sea bulk Bulk truck Loading Unloading Equipment brochoure 2019

Privacy Policies | Disclaimer Contact to : sales-tre@thereccorp.com
The THEREC and the TRC are trademark owned by THEREC CORPORATION LTD. Used with permissions. Trademark & Other intelectual property right Notices ©2013-2017
THEREC Corp. © All Rights Reserved. © 2021 THEREC Corporation Limited.
Tel : +662 893 9003-4, +662 893 9177, +662 893 9179, +662 895 0929, Fax : +662 893 9005

PLASTIC PELLET SILO LOADING | SUGAR SILO LOADING | ลำเลียงผงพลาสติกขึ้นไซโล | ส่งแป้งสาลีขึ้นไซโล | เป่าเม็ดพลาสติกขึ้นไซโล | PVC SILO LOADING | ลำเลียงเม็ดพลาสติกขึ้นไซโล | ลำเลียงหินปูนขึ้นไซโล | PP SILO LOADING | PE Silo loading | PVC Silo loading | เป่าหินปูนขึ้นไซโล | ลำเลียงแป้งขึ้นไซโล | ส่งหินปูนขึ้นไซโล | ลำเลียงแป้งสาลีขึ้นไซโล | Silo Air conveyor | ส่งน้ำตาลขึ้นไซโล | Bulk material silo loading system | ส่งผงพีวีซีขึ้นไซโล | PE SILO LOADING | PLASTIC POWDER SILO LOADING | ลำเลียงน้ำตาลขึ้นไซโล | Bulk material silo feeding system | Pneumatic conveying for silo | Silo Loading system | Silo pneumatic conveying system | เป่าของขึ้น ไซโล | เป่าแป้งขึ้นไซโล | เป่าผงพีวีซีขึ้นไซโล | ส่งเม็ดพลาสติกขึ้นไซโล | CaCO3 Silo loading | PP Silo feeding | ลำเลียงผงหินปูนขึ้นไซโล | ลำเลียงผงพีวีซีขึ้นไซโล | WHEAT FLOUR SILO LOADING | เป่าน้ำตาลขึ้นไซโล | เป่าแป้งสาลีขึ้นไซโล | ส่งแป้งขึ้นไซโล