HOME
|
ABOUT US
|
MAP
|
CONTACT
|
CONTACT TO :
SALES-TRE@THERECCORP.COM
WELCOME TO TRC GROUP OF COMPANY E-MAIL : SALE_TRE@THERECCORP.COM, Tel : +662 893 9003-4, +662 893 9177, +662 893 9179, +662 895 1575, +662 895 0929... THE PNEUMATIC CONVEYING SYSTEM DESIGNER | THE HIGH PRESSURE BLOWER SPERCIALIST.
" The Pneumatic Conveying System Company " " Bulk material handling process turn-key solution Over all knowledge summation of the 20 years experience"
Solid Bulk Material Handling System
Bulk Container Loading System
Bulk Container Unloading System
Bulk material Reception Solution
Bulk Truck Loading System
Bulk Truck Unloading System
Dust Explosion Protection System
Pneumatic Conveying System
Sea bulk loading system
Silos system
Weighting system
Industries
PE Processing Plant
PP Processing Plant
PVC Processing Plant
PC Processing Plant
PET Processing Plant
Blown Film Plant
PVC Pipe Plant
PVC Compound Plant
Food
For food industry, Please visit our new website on
>> www.therec.co.th <<
Polymer Logistics & Warehouse
Other
Bentonite Clay Powder Plant
Calcium Carbonate Plant
Soap and Detergent Plant
Soda Ash Plant
Manufacturing
Bulk Container Loading Equipment
Bulk Container Unloading Equipment
Bag Dump Station
Bulk Bag Filling Machine
Bulk Bag Unloading Station
Deep Vacuum Bag Filter
High Pressure Blower Engineering Package
Lump Breaker
Stainless Steel Silos
Vacuum Lifter Air Lifter
Imported Product
A-WARD : Container Loading & Unloading System
DMN WESTINGHOUSE : Product
Diverter Valve
Rotary Valve
GreenCo : Ring Blower
J&D SILO : Aluminium Silo
MIX SRL : Product
Food Grade Powder Mixer
Industrial Grade Powder Mixer
Industrial Grade Powder Reactor / Dryer
STIF VIGILEX : Explosion Vent Panel
THAMES SIDE : Load Cells
VISVAL : Valve
VOLKMANN : Explotion Proof Vacuum Conveyors
Document
THEREC General Brochoures
TRC Brand Product Brochoures
Imported Brand Product Brochoures
Company Profile
Webboard & Engineering Tips
Used Aluminium & Stainless Steel Silos
Used Aluminium & Stainless Steel Silos
Home >Turn - Key Project > Pneumatic Conveying System > PC Process Plant
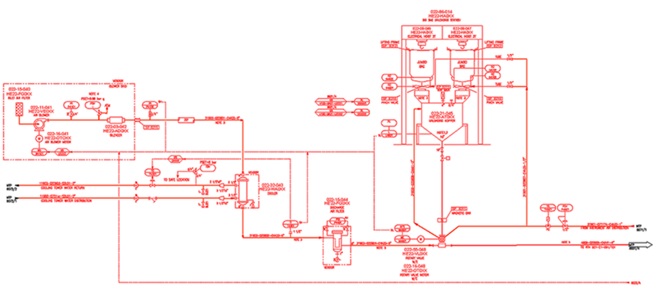
PNEUMATIC CONVEYING SYSTEM
REFERENCE LIST
PC-Process Plant
Privacy Policies | Disclaimer Contact to : sale_tre@thereccorp.com
The THEREC and the TRC are trademark owned by THEREC CORPORATION LTD. Used with permissions. Trademark & Other intelectual property right Notices ©2013-2017
THEREC Corp. © All Rights Reserved. © 2013 THEREC Corporation Limited.
Tel : +662 893 9003-4, +662 893 9177, +662 893 9179, +662 895 1575, +662 895 0929, Fax : +662 893 9178