HOME | ABOUT US | MAP | CONTACT |
CONTACT TO : SALES-TRE@THERECCORP.COM
WELCOME TO TRC GROUP OF COMPANY E-MAIL : SALE_TRE@THERECCORP.COM, Tel : +662 893 9003-4, +662 893 9177, +662 893 9179, +662 895 1575, +662 895 0929... THE PNEUMATIC CONVEYING SYSTEM DESIGNER | THE HIGH PRESSURE BLOWER SPERCIALIST.  
" The Pneumatic Conveying System Company " " Bulk material handling process turn-key solution Over all knowledge summation of the 20 years experience"
   
  Home >Turn - Key Project > Pneumatic Conveying System > PVC Pipe Plant

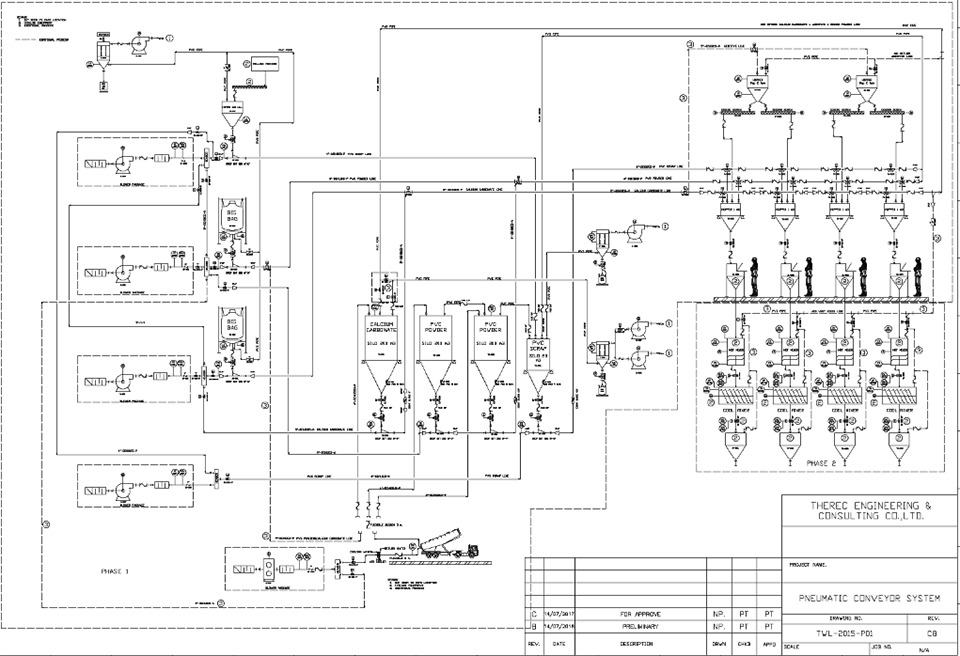
PNEUMATIC CONVEYING SYSTEM
REFERENCE LIST

 


PVC Pipe Plant (Factory 2021)

- Silos System Material handling System, Pneumatic Conveying System & Weighting System.

- Mixer & Extruder Process, Dust Free Dry mix Powder handling system.

- SCADA System for Raw material supply process control and Reports..

Dust Free Dry mix Powder handling System.

SCADA System for Raw material supply process control and Reports.

Privacy Policies | Disclaimer Contact to : sales-tre@thereccorp.com
The THEREC and the TRC are trademark owned by THEREC CORPORATION LTD. Used with permissions. Trademark & Other intelectual property right Notices ©2013-2017
THEREC Corp. © All Rights Reserved. © 2021 THEREC Corporation Limited.
Tel : +662 893 9003-4, +662 893 9177, +662 893 9179, +662 895 0929, Fax : +662 893 9005